Wacker Neuson EW100 - 10 Tonne Wheeled Excavator
Experience a new class of performance with the Wacker Neuson EW100-2. Powered by a 100 kW Perkins diesel engine, it delivers outstanding digging power and fast travel speeds of up to 40km/h, perfect for todays demanding civil sites. With its advanced, smooth LUDV hydraulics Wacker Neuson is known for it delivers outstanding performance and feel.
The EW100 is at the forefront of innovation, featuring the advanced MIC4.0 attachment control standard that makes it "tiltrotator ready". Advanced attachments such as tilt rotators can be fitted in a matter of minutes, fully integrated with the machines onboard computer ready to go, no modifications necessary. Coupled with fast travel speeds for rapid relocation between tasks, the EW100 is a powerful and efficient solution designed to keep your project moving forward. Standard with a 5 Year / 5000 hour warranty.
Key Features:

| 1. |
Safety |
- Rotating beacons, reverse beepers and warning horns as standard, ensures machine is in line with latest safety standards.
- All machines sold by ACES have an OHS Risk assessment prior to delivery.
- ROPS and FOPS cabin.
- LED Working lights on front and rear of cabin, on boom, and on both sides for optimum safety at night, providing full-360 degree illumination.
- Safety valving fitted to boom, dipper and bucket cylinders to lock cylinders in case of hose failure, designed for safe use with forks.
- Well-designed cabin shape and offset arm positioning for outstanding operator vision.
- Reverse Camera intergrated into LCD display.
- Active Working Signal - When EW100 is in operation a red LED light bar is illuminated on the engine hood to inform workers in the vacinity.
|
| 2. |
Auxiliary Hydraulics |
- Multiple two way auxiliary piping standard from factory boasting one of the highest auxiliary flow in the industry.
- Massive 180L/min.
- MIC 4.0 Attachment control standard.
- Tilt-Rotator multifuncition joysticks fitted.
- "Tilt-Rotator Ready" ex. factory.
- Attachment adjustments possible via touch screen.
|
| 3. |
Hitches |
- Wacker Neuson Easylock Hydraulic Hitch (standard)
- Wacker Neuson Powertilt Hitch (optional)
- Steelwrist X12 Tilt Rotator (optional)
|
| 4. |
Vision |
- Cabin designed with perfect visibility.
- ROPS posts positioned to ensure operator's view is not restricted.
- Cabin roof is fitted with window, allowing bucket visibility at all times.
- Offset arm position for greater visibility and safety.
- Sunvisor fitted to shade top window.
|
| 5. |
Comfort |
- Climatic control air conditioning system.
- Operators station ergonomically designed for continuous operation without fatigue.
- Controls ensure comfort and feature large handles.
- Adjustable arm rests fitted as standard.
- All levers and switches positioned within easy and comfortable reach.
- Seat features adjustable suspension for operators of different sizes.
- Travel levers fitted with large foot pedals for precise track control while operating other controls.
- Fully retractable front glass panel.
- Right hand side window features two way opening.
- LCD Screen ergonomically position, control junction via jog dial control without the need to lean and reach forward.
|
| 6. |
Power |
- Huge bucket and arm breakout forces at 73.3kN and 44kN respectively.
- Powered by Perkins 904J-E36TA efficient Turbo Diesel engine (100kW).
- Smooth power with automatic idle control.
- Variable Axial Piston Pump with LUDV load sensing system, load-independent flow distribution.
- 300bar operating pressure.
|
| 7. |
Efficiency |
- Hydraulic system of EW100 comprises variable displacement axial piston pump with load-independent flow distribution (LUDV) for working hydraulics and hydrostatic transmission for drive..
- The most advanced hydraulic system for wheeled compact excavators, also the most efficient system.
- High capacity pump ensures enough flow to control multiple circuits at once and is the reason EW100 has such high flow auxiliary flow availability.
- High fuel consumption savings over previous model and much higher savings in comparison to competitors.
- Ultra-efficient hydraulic hose routing and large bend radius’ to reduce heat and pressure loss.
|
| 8. |
Cooling |
- A high efficiency radiator and cooling system keeps the EW100 cool in high ambient temperatures.
- Oil cooler and radiator mounted side by side for easy cleaning.
- Side by side coolers stop the common problem of debris building up between coolers as with coolers mounted in front of each other. This ensures the most efficient cooling.
- Integrated expansion chamber in radiator top tank, no overflow bottle necessary, most advance system on market.
|
| 9. |
Versatility |
- Jog dial control for machine modes and junction.
- The EW100 is fitted standard with dual rubber tyres, uniquely designed to stock rock intrusion between the wheels.
- High speed travel pushes the machine along at 40km/h.
- Pattern change from Backhoe (SAE) to Excavator (ISO) via electronic control.
- 8 oversized well position tie down points.
- The most advanced attachment control ex. Factory currently on the market.
|
(EW100-2)
Weights:
| Transport Weight |
10,320 - 11,550 kg |
| Operating Weight |
10,625 - 11,855 kg |
| SWL |
822 kg |
Engine:
| Manufacturer |
Perkins |
| Model |
904J-E36TA |
| Power |
100 kw (136 HP) |
| Torque |
550 Nm |
| Displacement |
3,600 cm3 |
| Construction |
4-cylinder, turbo diesel, liquid-cooled |
Operating Data:
| Max. Bucket Breakout Force |
73.3 kN |
| Max. Arm Breakout Force |
44 kN |
| Max. Travel Speed |
40 km/h |
| Max. Slewing Speed |
10 rpm |
| Max. Dig Depth |
4,212 mm |
| Max. Width |
2,450 mm |
Hydraulics:
| Pump |
Single Variable Displacement Axial Piston Pump with LUDV Load Sensing + Hydrostatic Transmission |
| Maximum Flow Rate (System) |
341 l/min |
| Auxiliary Flow Rate |
120 /min |
| System Pressure |
300 bar |
| Slewing Pressure |
240 bar |
| Auxiliary Pressure |
300 bar |
| Driving Pressure |
470 bar |
Drive:
| Construction |
Hydrostatic Transmission to centrally located Piston Motor and Drive Shafts |
| Wheel Motors |
Central Piston Motor to Driveshaft and Differential |
| Standard Tyres |
275/70-22.5 HBI Twin Tyre without intermediate ring |
| Parking Brake |
Hydraulic |
Capacities:
| Fuel Tank |
190 L |
| Hydraulic Tank |
80 L |
| Battery |
12V / 180 Ah |
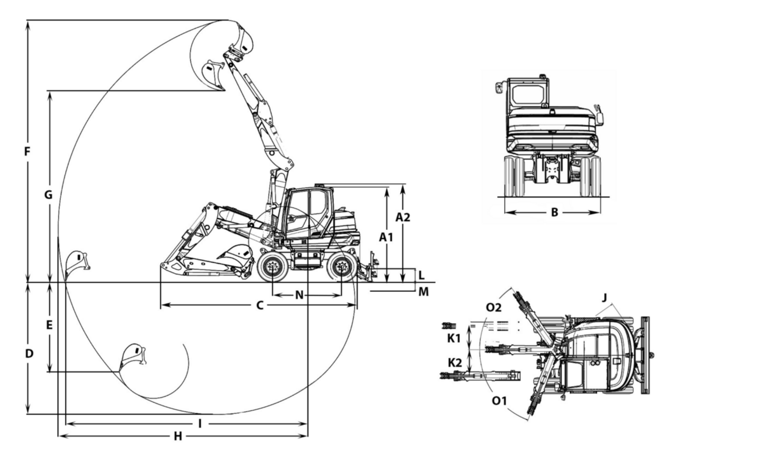
Working Dimensions:

| A1 |
Height with cab |
2694 mm |
| |
Height of dozer blade |
495 mm |
| A2 |
Total height with rotating beacon |
3058 mm |
| B |
Width travel gear |
2451 mm |
| C |
Transport length |
6314 mm |
| D |
Digging depth max. |
4211 mm |
| E |
Piercing depth max. |
2857 mm |
| F |
Piercing height max. |
8262 mm |
| G |
Dumping height max. |
5583 mm |
| I |
Max. reach at ground level |
7660 mm |
| J |
Tail swing radius |
1689 mm |
| K1 |
Boom offset max. (to center of bucket right side) |
939 mm |
| K2 |
Boom offset max. (to center of bucket left side) |
624 mm |
| L |
Stacking height max. (dozer blade above surface) |
391 mm |
| M |
Digging depth max. (dozer blade above surface) |
137 mm |
| N |
Wheel base |
2199 mm |
| O1 |
Max. swivel angle (arm system to the left) |
70 ° |
| O2 |
Max. swivel angle (arm system to the right) |
55 ° |
Specificatons subject to change without notice due to continual product development.
Be The First To Review This Product!
Help other P.C. Arbuckle Propriety Limited users shop smarter by writing reviews for products you have purchased.
Write a product review